WTB: Blower Motor Housing

Collapse
X
 
  • Time
  • Show
Clear All
new posts
  • crisby325i
    Noobie
    • Apr 2005
    • 29

    #1

    WTB: Blower Motor Housing

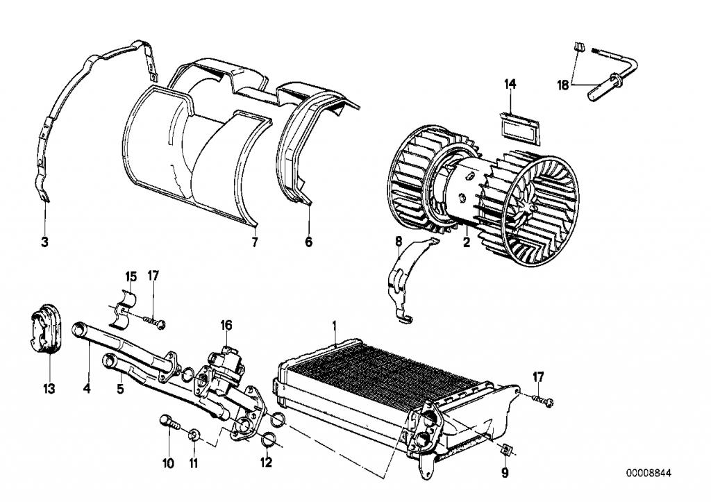
    Looking for the blower motor housing located behind the firewall. Part Number 6 on the REALOEM attachment
    Attached Files
    Your signature has been removed. Refer to the Signature and Avatar Guidelines in The Rules.
  • brutus
    E30 Addict
    • Dec 2016
    • 589

    #2
    yes i have this part.
    please pm.

    Comment

    • sweet3
      Mod Crazy
      • Oct 2012
      • 751

      #3
      I have the entire box for sale :)

      Everything is in good condition. If I had this at the time when I had my car in pieces, this one would definitely be going in mine. But too much work to do that now lol
      PNP Adapter Harness Wiring for M52TU, M54, S54, M60, M62, M62TU, S62, M50, S50, M52, S52 & MORE

      sigpic

      Comment

      • crisby325i
        Noobie
        • Apr 2005
        • 29

        #4
        Thanks. Sale currently pending.
        Your signature has been removed. Refer to the Signature and Avatar Guidelines in The Rules.

        Comment

        • crisby325i
          Noobie
          • Apr 2005
          • 29

          #5
          Well, I still need a housing. Specifically for these connector rods that are on the flaps. PM and if you have anything. Thanks.

          Your signature has been removed. Refer to the Signature and Avatar Guidelines in The Rules.

          Comment

          Working...