Hi guys,
Bought an aftermarket overflow tank for the m50, which has a 6mm ID nipple to feed the cooling system if it's short
Though the overflow hose from the spider hose is around 22-24mm,
Can I just run a reducer, or should I weld in a larger nipple on the overflow tank?
Is it a pressured system? I'm just trying to think if the spider hose sucks the coolant from the bottle it should be okay to do the simple thing and reduce the hose,
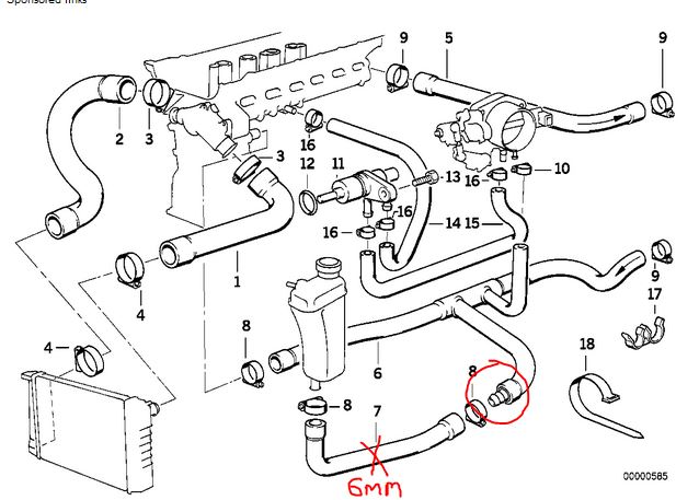
Bought an aftermarket overflow tank for the m50, which has a 6mm ID nipple to feed the cooling system if it's short
Though the overflow hose from the spider hose is around 22-24mm,
Can I just run a reducer, or should I weld in a larger nipple on the overflow tank?
Is it a pressured system? I'm just trying to think if the spider hose sucks the coolant from the bottle it should be okay to do the simple thing and reduce the hose,


Comment