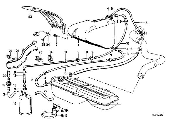
there is a reservoir next to my tank filler what is it for?
what is it this
Collapse
X
-
Comment
-
-
pics?
x2 Bently Manual-Erik
'16 Focus 2.0L - '99 Protegé DX 1.6L POS (Sold) - '87 4runner 22R-E (Sold) - '86 Schwarz S50 (Sold) - '02 WRX Wagon (sold) - '07 Impreza 2.5i (sold) - '91 Alpine M52 (Sold) - '89 Alpine 325is (Sold)

Originally posted by 87e30I just want to dance with some beeziesComment
-
your avatar looks hot... do you have a bigger rez? i wanna print it and hang it in my closet:giggle:sigpicComment
-
Why are you guys being fucking hard-ons to this guy? Answer the fucking question and let it be done with.
Mariano
2001 Titaniumsilber 540i Sport 6-Speed
1990 Diamantschwarz Alpha-N 2.5L ///M3
1986 Alpinweiss 325e M50B25 (R.I.P.)
-Talk to me when more sound comes from the induction than from the exhaust...
-Argentina........lo mas grande que hay.

Comment
-
Reserve?sigpic
1988 5 spd.Cabrio/Lachs Silber/Black Leather/123k/Dealer Serviced & Maintained by both PO's
Clarion DXZ785USB HU, BBS Wheels, Leather e-brake handle & e-brake boot, Mtech 1 Wheel, Maplight Mirror, Performance chip, Rear Headrests.
Previous E30: 1986 5 spd. 325es/Delphin Gray/Black Leather/191k

Comment
-
it's a safety overflow tank thingy for the fuel return
in technical termsNot that I care, of course.

Comment



Comment