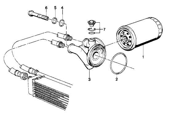
Which cars have oil coolers? When were they introduced? Doesn the filter head shown below as part 3 fit blocks that came without the oilf filter
Oil Cooler which cars?
Collapse
X
-
Oil Cooler which cars?
89 E30 325is Lachs Silber - currently M20B31, M20B33 in the works, stroked to the hilt...
new build thread http://www.r3vlimited.com/board/showthread.php?t=317505
Tags: None -
In the US, only 325i and 325is came with that setup.
And M3s of course.Adam Fogg- '88 M3
Common sense- It's the new 'gifted' -
since 325e and 325i blocks are near identical will the oil cooler fit to a 325e then?89 E30 325is Lachs Silber - currently M20B31, M20B33 in the works, stroked to the hilt...
new build thread http://www.r3vlimited.com/board/showthread.php?t=317505

Comment
-
I do believe there is a method to adapt the 325i oil cooler to the 325e engine but I am not familiar with it. Search and I bet youll find what you are looking for.Originally posted by diggersince 325e and 325i blocks are near identical will the oil cooler fit to a 325e then?HDE30 <3Comment
-
If you get the oil filter adapter, that bolt, and the lines, and the actually cooler - it will bolt right up.
There's a piece on the Eta that is in there to allow mounting of the oil filter directly to the block - which is easily removed.
Not sure why you'd need an oil cooler on an eta though - they don't rev up all that high, and the oil probably wouldn't get as hot as it wouldd in an IS.- Sean HayesComment
-
The M3 setup is different. The oil cooler lines are integrated into the filter housing that bolts to a flange on the block with a gasket, there is no way to remove it and install just a filter.Originally posted by AdamF 88iSIn the US, only 325i and 325is came with that setup.
And M3s of course.Comment
-
Yea. I know.Originally posted by mattThe M3 setup is different. The oil cooler lines are integrated into the filter housing that bolts to a flange on the block with a gasket, there is no way to remove it and install just a filter.
He asked simply which cars came with oil coolers.
BTW, If you wanted just a filter, M10 parts would bolt onto that flange to eliminate the hose fittings.Adam Fogg- '88 M3
Common sense- It's the new 'gifted'Comment

Comment