So I'm pulling my 'e' motor for stereoinstaller1 to give his son nigel. Got a ton done today, will update as she moves along, here is where I stopped this morning.
Engine for Nigel
Collapse
X
-
that or a s50. Depends on what my finances are when I'm compelled to work on the project. 1.5years of ownership, checked the odo today, looks like less than 10 miles since I bought it. loooong term project. With the engine out though I'll be much more motivated to finish the suspension / steering rack / welding and reinforcing the subframes, etc.Comment
-
Don't forget to remove the grounding wire that attaches to the oil pan. Makes pulling the engine a LOT easier. ;)Comment
-
spent maybe 4 lazy hours today, all that is left is the exhaust (soaking in PB Blaster), and separating the transmission. Probably a couple things I've missed but from the top the only things between the engine and the frame rails are the motor mounts. I may have to remove the starter now that I look at it. Dunno, will crawl under there tomorrow and see if the exhaust goes. My first time with this car, and I'm being lazy. Was rather impressed with my progress.Comment
-
so entire exhaust is off the car, all the a/c components from the firewall forward are gone (No I didn't vent the refrigerant to the atmosphere, the lines were empty and the a/c pump belt wasn't even on, probably went south many years ago).
Wiring harness and the bizillion connectors is off, even the nuts on the motor mounts are off.
All that is left is the transmission question. I would prefer to separate the engine from the tranny and leave the tranny in, and just pick the motor straight up.
Problems with this idea:
1. I can't figure out how a contortionist with carnie hands would be able to get to those top male torx screws. Got a socket on one and realised I probably wouldn't have enough room to get my wrench on the socket.
2. There doesn't seem to be a support on the front of the tranny (towards the engine. I suspect that I would have to hold the front of the tranny up with a bottle jack or something similar.
SO: Is it advisable / easier to pick the engine with tranny attached? And separate once they're out of the car?
1. Do I need a load balancer on the engine crane for a angled pick?
2. Are the only things to disconnect the driveshaft and tranny support bolts?
3. Should I mark the driveshaft alignment with the tranny before removing, or does it matter?
Thanks for the helpComment
-
It is much easier to take the tranny out with the engine and you'll be able to do some maintenance on the tranny while it is out. If you try and pull the engine alone then you will be cursing yourself.
You don't need a load balance if you have someone else helping you. You will also want to disconnect the shift linkage.My 2.9L Build!

Originally posted by Ernest HemingwayThere are only three sports: bullfighting, motor racing, and mountaineering; all the rest are merely games.Comment
-
Ok the list of things to disconnect:It is much easier to take the tranny out with the engine and you'll be able to do some maintenance on the tranny while it is out. If you try and pull the engine alone then you will be cursing yourself.
You don't need a load balance if you have someone else helping you. You will also want to disconnect the shift linkage.
Slave cylinder line, driveshaft connection, tranny support brace, and shift linkage.
Gotta do some searching for how the shift linkage comes out. Is that the selector rod and bitch clip and all that stuff people always talk about?Comment
-
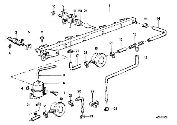
What year engine is this? I ask because in this pic here.....
You see that one fuel hose going to the cold start valve? What is that silver looking canister thing at the other end of the hose? It is half cut off by the pic.
Mine does'nt have that.Originally posted by cabriodster87"Honey? What color is this wire? Is it the same as that one? Are you sure? I don't believe it. OK, it works. Thank you sweetie."Originally posted by Kershawi've got a boner and a desire to speed.Comment
-
it's an 85 "e", are you talking about the doohcikey attached to the hose? no idea, probably a check valve or a restrictor -- cant find it on realoem, the shiny one on the bracket is the idle control I think. Let me finish this stoli and tonic and I'll mosey out to the garage and take a pic for you.Comment
-
There is a bitch clip on the left side of the transmission where the linkage connectes. Use a long and small flathead to slowly pry it up, then you will feel the lip, Pop it over the metal of the trans and pull the bitch clip out. Deffinitly Pull the Trans/Motor together. Its worlds easier.Comment
-
i'll get you a pic but I think it's #16 in this diagram, oddly realoem says my car doesn't have it or #19 but it quite obviously does. Must not be that important.
I found it, on early cars 16/19 are ambiguously labeled "connection piece", drops after builds in late 84.
16 CONNECTION PIECE 1 09/1984 13311713470 $1.67
edit here's some pics:
Last edited by browntown; 01-10-2007, 08:45 PM.Comment

Comment