I was able to get a few more things done in the last two days. Coolant manifold, t-stat assembly, distributor and wires, fuel rail and injectors.

The custom radiator has really helped out tremendously with allowing me to get all of this to fit. The thermostat housing fits with just enough clearance.

Its pretty obvious that the shop that performed this swap had very little pride in what they were building. Ive have seen so much hastily put together shit on this engine. There is no way that i can use those shitty hoses so i will have to source some.

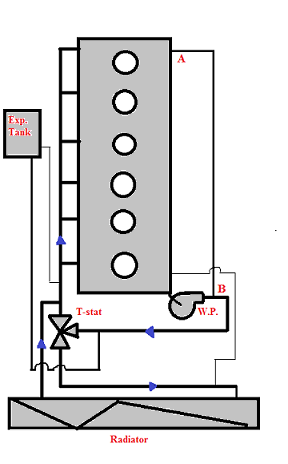
Basic diagram made of the coolant system. Not sure if im going to install the expansion tank on the passenger side yet. If I do i wont have to run some lines across the bay. I will not be using a heater core. It looks like in the original setup water came out of the exit of the water pump, labeled B, through the heater and into the back of the engine labeled A. Can I just block them or should I run a hose connecting them? From what I could see blocking them would be fine.
The custom radiator has really helped out tremendously with allowing me to get all of this to fit. The thermostat housing fits with just enough clearance.
Its pretty obvious that the shop that performed this swap had very little pride in what they were building. Ive have seen so much hastily put together shit on this engine. There is no way that i can use those shitty hoses so i will have to source some.
Basic diagram made of the coolant system. Not sure if im going to install the expansion tank on the passenger side yet. If I do i wont have to run some lines across the bay. I will not be using a heater core. It looks like in the original setup water came out of the exit of the water pump, labeled B, through the heater and into the back of the engine labeled A. Can I just block them or should I run a hose connecting them? From what I could see blocking them would be fine.




Comment