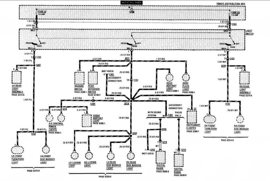
Sup guys, my passenger side running lights and dash lights are out. The fuse is popped, think its 22 or something? I took out the whole taillight assembly and the euro smily running light, no change, still pops. THe only thing I can remember doing between it working and it breaking was washing the car. I opened the trunk lid and washed the trunk jamb, which I don't normally do, and spilled some water in the trunk but not much...
Any ideas on things to look at first???
Any ideas on things to look at first???



Comment