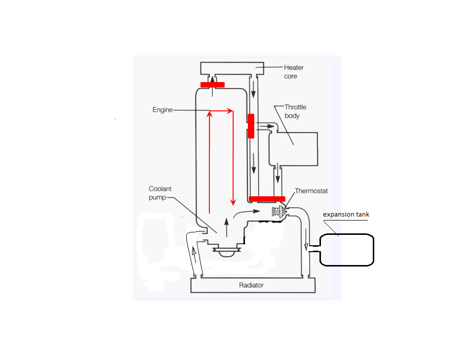
so just to add a visual representation of what i was originally thinking was pretty much this, one in, one out remove any other hose from around the engine like the one from the back of the cylinder head and on the throttle body and completely remove the bypass hose from radiator to thermostat and then on to the water pump.
Water hose Delete/ Redirection?
Collapse
X
-
That diagram is how I have run my car for 5 years, and most of the Florida Spec E30 guys have the same.Comment
-
right, did you have to do anything like change the thermostat housing or did you just block off some of the ports on it and make up some hoses to fit? and also you wouldn't happen to have a photo of the engine just so i can get a reference on what it looks like?Comment
-
That's a brilliant idea man it would make a cleaner engine bay.so just to add a visual representation of what i was originally thinking was pretty much this, one in, one out remove any other hose from around the engine like the one from the back of the cylinder head and on the throttle body and completely remove the bypass hose from radiator to thermostat and then on to the water pump.Comment
-
There's a bunch of pictures of my engine bay in my build thread, link in my signature. Off the top of my head here is what needs to be done to achieve the diagram above:
1) The back of the head gets blocked off using a blocking plate and an OEM gasket. You can buy the plate and gasket as a kit from Condor Speed Shop. Then the heater core lines, firewall fittings, and heater core can all be removed.
2) The back of the block has a nipple that is removed and can be blocked off using a bolt of the same thread pitch. Make sure it's short enough, probably only needs to be 10mm long. I think it's an M12 bolt. Use thread sealant and a washer.
3) The thermostat housing has a return fitting from the throttle body hose that you can drill and tap, and then seal with a large set screw.
4) Optionally you can cut off the nipples from the throttle body fitting and close them off for a cleaner look.
5) 1" coolant hose from the thermostat housing straight to the overflow tank.Comment
-
Nice setup, Can i use the hose outlet you mention in setp 3 to direct it to the expansion tank?
There's a bunch of pictures of my engine bay in my build thread, link in my signature. Off the top of my head here is what needs to be done to achieve the diagram above:
1) The back of the head gets blocked off using a blocking plate and an OEM gasket. You can buy the plate and gasket as a kit from Condor Speed Shop. Then the heater core lines, firewall fittings, and heater core can all be removed.
2) The back of the block has a nipple that is removed and can be blocked off using a bolt of the same thread pitch. Make sure it's short enough, probably only needs to be 10mm long. I think it's an M12 bolt. Use thread sealant and a washer.
3) The thermostat housing has a return fitting from the throttle body hose that you can drill and tap, and then seal with a large set screw.
4) Optionally you can cut off the nipples from the throttle body fitting and close them off for a cleaner look.
5) 1" coolant hose from the thermostat housing straight to the overflow tank.Comment
-
Comment


Comment