The right windshield wiper is loose at its base where its goes down into the car. 2 questions. Is there supposed to be a grommet or something of the sort at the base? Also, do I get to it through the engine bay by taking off some covers along the engine bay bulkhead?
Windshield Wiper arm is loose. How to fix?
Collapse
X
-
-
Linkage is worn out. Replace. That is correct, blower motor area and cowl for access points. Not fun job
See aboveComment
-
I don't think its the linkage. Mine has space around the wiper arm mounting posts where it moves inside the hole in the cowl. Like there is SUPPOSED to be a bushing or grommet there and its rotted away or something. My wiper arms themselves don't have any play, mine are moving around in the cowl (one moves with the other when I grab hold of it).1985 RX7 - Badassery Exemplified.
1989 325is
sigpic
-TomComment
-
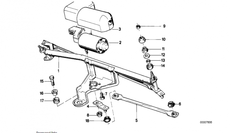
http://www.realoem.com/bmw/showparts...82&hg=61&fg=45
See where 9-14 mount. Well, that shaft wears out and causes everything to be loose.Comment
-
Ah. Well thanks for clearing that up. I'll just it be loose for a few thousand more miles LOL.http://www.realoem.com/bmw/showparts...82&hg=61&fg=45
See where 9-14 mount. Well, that shaft wears out and causes everything to be loose.1985 RX7 - Badassery Exemplified.
1989 325is
sigpic
-TomComment
-
theres a write up on replacing the damper ring in my barn find thread. Most people don't even know it exists but they are ALWAYS rotten and that causes wobble and stress. Cheap and easy to fix so start thereSeat Shocks....I have passed the baton to John Christy from Ninestitch. Email John or Garrett at ninestitch1@gmail.com
https://www.r3vlimited.com/board/sho...86#post4944786
Alice the Time Capsule
http://www.r3vlimited.com/board/showthread.php?t=360504
87 Zinno Cabrio barn find 98k and still smells like a barn. Build thread http://www.r3vlimited.com/board/show...20#post3455220Comment
-
Damn Jeff, are there any questions ever posted on r3v that aren't answered in your build thread? You need a special title.1992 325i Cabrio
1988 320i Touring
2000 M5
1977 530i
2015 328i - Euro Delivery/Performance Center Delivery
BMWCCA
E30CCAComment
-
Lol....I try to be thorough

I actually did a tech session on these at the Blue Ridge Bimmers BBQ and sold all 10 pairs of dampers I brought with me :)Seat Shocks....I have passed the baton to John Christy from Ninestitch. Email John or Garrett at ninestitch1@gmail.com
https://www.r3vlimited.com/board/sho...86#post4944786
Alice the Time Capsule
http://www.r3vlimited.com/board/showthread.php?t=360504
87 Zinno Cabrio barn find 98k and still smells like a barn. Build thread http://www.r3vlimited.com/board/show...20#post3455220Comment
-
Comment
-
The car I recently bought has a loose arm and a few pieces missing. Including this damper ring. I see the parts manual lists all parts. My question is the order that these are assembled.
Please see below. I assume the Wiper Arm goes between items 9 and 10 and that 13 is under the car body and 12 above?
Comment
-
I saw that the Damper Ring is the one that has a channel on it where the body plate is supposed to go into. I had a hard time to insert the Damper Ring properly in there , but it worked.
I want to post a picture of the back of the left had side plastic grill, so people can see where the clips are and hopefully help not break it when removing it. There are three metal clips at the bottom and a few plastic tabs on the top.
1 PhotoComment

Comment