I'm having issues with my m20 turbo megasquirt from whodwho
wasted spark is giving me grief I've tried to use tunerstudio testing and trippled checked wiring I have coils out of a older 5.3 sierra I'll post some pics
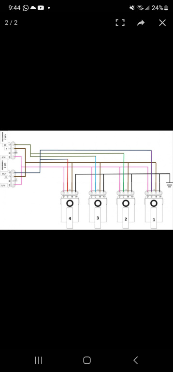
this wiring is my own custom made db15 soldered my own color wires
the I'm getting bo spark at all I do have fuel plugs are wet
everything is wired in
a - 1-6
b 5-2
c 3-4
Im using the stock ls harness , ill snag some photos colors when i get home im looking for diagrams of someone who has already done this and has everything wired properly
Starting from bigger top side right 8 1:ignition 1 brown and black stripe-green
2:ignition 2 red and green stripe-brown
3:ignition 3 yellow and black stripe-yellow
4:ignition 4 pink and black stripe
5:fan blue wire
6: blank green
7:injector 4 grey
8:Injector 3 orange
9:ign1 blue and red stripe
10: ign2 purple
11:ign3 brown and white stripe
12:bc pink
13:launch control black wire
14:injector1 red and black stripe
15 injector 2 red and white
I'm using 2 of the factory v8 harness for the coils I cut out coil 7 and 8 off the original harness also got the pig tails connected together via colors and firing order
Black is my ground going to both my chasis and the adapter plate I made to mount these
Brown is the ecu ground going to the stock m20 afm ground
Pink off the stock ls harness is my switched 12v
the other colors are all
In the correct firing ordered as tested via a multimeter
wasted spark is giving me grief I've tried to use tunerstudio testing and trippled checked wiring I have coils out of a older 5.3 sierra I'll post some pics
this wiring is my own custom made db15 soldered my own color wires
the I'm getting bo spark at all I do have fuel plugs are wet
everything is wired in
a - 1-6
b 5-2
c 3-4
Im using the stock ls harness , ill snag some photos colors when i get home im looking for diagrams of someone who has already done this and has everything wired properly
Starting from bigger top side right 8 1:ignition 1 brown and black stripe-green
2:ignition 2 red and green stripe-brown
3:ignition 3 yellow and black stripe-yellow
4:ignition 4 pink and black stripe
5:fan blue wire
6: blank green
7:injector 4 grey
8:Injector 3 orange
9:ign1 blue and red stripe
10: ign2 purple
11:ign3 brown and white stripe
12:bc pink
13:launch control black wire
14:injector1 red and black stripe
15 injector 2 red and white
I'm using 2 of the factory v8 harness for the coils I cut out coil 7 and 8 off the original harness also got the pig tails connected together via colors and firing order
Black is my ground going to both my chasis and the adapter plate I made to mount these
Brown is the ecu ground going to the stock m20 afm ground
Pink off the stock ls harness is my switched 12v
the other colors are all
In the correct firing ordered as tested via a multimeter


Comment