Hello R3vers,
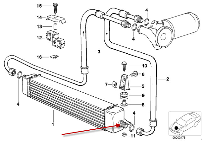
Does anyone know if the outlet threading is replaceable? I had to replace my outlet pipe, and (stupidly) ruined the threading upon re-installation of a new outlet pipe...

Does anyone have experience removing/replacing them?
My next option would be to re-thread it or completely replace the cooler (which looks pretty beat up anyway).
Thanks in advance!
Eric
Does anyone know if the outlet threading is replaceable? I had to replace my outlet pipe, and (stupidly) ruined the threading upon re-installation of a new outlet pipe...
Does anyone have experience removing/replacing them?
My next option would be to re-thread it or completely replace the cooler (which looks pretty beat up anyway).
Thanks in advance!
Eric


Comment